Company with tradition
- On the market for over 25 years
B2B
About us
Blog
Spletna trgovina:
041 606 384
PON - PET: 07:00 - 15:00 ure
SOB: ZAPRTO
Trgovina hoče:
02 330 38 25
PON - PET: 07:00 - 18:00 ure
SOB: 08:00 - 13:00 ure
Login
0
0
You have no items in your shopping cart.
Login
0
0
Spare parts
Spare parts
Tractor Parts
Tractor Parts
Front and Rear Axle
Cooling System
Cooling System
Radiators
Hoses
Other
Engine Parts
Engine Parts
Fuel, Oil, and Water Pumps
Fuel, Oil, and Water Pumps
Water Pumps
Fuel Pumps
Oil Pumps
Exhaust Systems
Engine
Engine
Complete Engines
Vbrizg
Sklopi motorja
Glave motorja
Deli motornih glav
Ležaji motorja
Tesnila motorja
Ostalo
Cevi goriva
Clutch
Clutch
Košare sklopke
Pogonske lamele
Kardanske lamele
Potisni ležaji
Clutch cylinders
Ostalo
Steering
Steering
Volanski deli
Končniki volana
Kolesa volana
Drogi volana
Hidravlični volani
Ostali volanski deli
Brakes
Brakes
Zavorne lamele
Zavorne čeljusti, obloge in pasovi
Zavorni bobni in diski
Zavorni cilindri
Ostalo
Hydraulics
Hydraulics
Centralni vzvodi - poteznice
Centralni vzvodi - poteznice
Klasični
Hidravlični
Črpalke hidravlike
Varilni kavlji
Spojke hidravlike
Dvižne ročice
Stabilizatorske verige
Deli hidravlike - razni
Air Systems
Transmission - Differential
Cabin and Body Parts
Cabin and Body Parts
Karoserija
Ključavnice in kljuke
Plinske vzmeti in amortizerji kabin
Motorji in metlice brisalcev
Ogledala kabine
Stekla kabin
Parts for Attached Machines
Parts for Attached Machines
Deli za prikolice
Obračalniki
Obračalniki
Vzmetni kraki
Obračalni sistemi
Kosilnice
Kosilnice
BCS
Gorenje Muta
Gramip
IMT
Kose
Noži kosilnic
Noži robotskih kosilnic
Ostali deli kosilnic
Odjemalci silaže
Sejalnice
Obdelava tal
Obdelava tal
Deli za pluge
Brane, freze
Prekopalniki
Trosilniki gnojil
Mulčerji
Deli za cisterne
SIP
Priklopi
Filters
Filters
Olja
Zraka
Hidravlike
Goriva
Nosilci filtrov
Electrical Components
Electrical Components
Stikala
Stikala
Stikala smerna
Stikala stop
Stikala vžiga/kontakta
Stikala oljna/termo
Stikala reduktorja
Ostala stikala
Vtikači, vtičnice, kabli
Avtomati smerokazov
Akumulatorji in oprema
Alternatorji in regulatorji napetosti
Zaganjači
Svečke
Svečke
Grelne svečke
Ignition Plugs
Indicators and Meters
Other
Complete Installation
Workshop Supplies
Workshop Supplies
Cleaning Products
Adhesives and Sealants
Workshop Tools
Technical Sprays
Grease Guns and Pumps
Lights
Lights
Front Headlights
Rear Lights
Rear Lights
Lamps
Lenses
Kits
Work Lights
Indicators, Position Lights
Rotating Beacons
Other
Consumables
Consumables
Pins
Wedges
Balls
Seats
Belts
Clamps
Welding Joints
Washers
Matice
Bearings and Seals
Wooden Bearings
Safety equipment
Fluids
Fluids
Adblue
Oils
Greases
Cleaners
Anti-Freeze Agent
Tires and Inner Tubes
Tires and Inner Tubes
Inner Tubes
Tires
Complete Wheels
Other
PTO Driveshafts
PTO Driveshafts
Cerjak, Gopart
Walterscheid
PTO Cross Joints
PTO Driveshaft Guards
PTO Driveshaft Adapters
Tubes
Yokes, Clutches, Pins
ANIMAL FEED
ANIMAL FEED
Small Animal Feed
Mineral Vitamin Supplements
Feed
Salt
Bird Food
Salt Licks
SEEDS
SEEDS
Seed Potatoes
Garden Seeds
Garden Seeds
Zorzi Garden Seed
Zorzi Garden Seed
Vegetables
Herbs
Flowers
Beans, Peas, Lentils, and Larger Packages
ROKO Garden Seeds
Seed Grains
Seed Corn
Grass Seeds
Grass Seeds
Ornamental
Forage
Forage Mixtures
Pumpkin Seeds
Onion, Garlic
FOR HOME, GARDEN, AND FIELD
FOR HOME, GARDEN, AND FIELD
Covers
Covers
Packaged
Rolls
Cover pegs
Soil and Peat
Soil and Peat
soil
peat
Organic Fertilizers
Mineral Fertilizers
Pest Control
Accessories and Tools
Plant Supports
Disinfectants
Mowing Lines and Heads
Decorative Bark and Chips
Irrigation and Watering
Tools and Equipment
AGRICULTURAL TECHNOLOGY
AGRICULTURAL TECHNOLOGY
Wrapping - Stretch Films
Protective Nets
Protective Nets
Bird Netting
Hail Nets
Shade Nets
Other Nets
Baling Equipment
Ties
Bags
Troughs for Pigs and Small Livestock
Pasture Equipment
Barn Equipment
WINE CELLARING
WINE CELLARING
Stoppers
Taps, Hoses
Corks
Paraffin Oil, Sulfuric Acid, Distilled Water
Cork Stoppers
Aluminum Stoppers
Crown Caps
Sparkling Wine with Gold
Toys
FORESTRY EQUIPMENT
Sale
Products
Spare parts
Spare parts
Tractor Parts
Tractor Parts
Front and Rear Axle
Cooling System
Cooling System
Radiators
Hoses
Other
Engine Parts
Engine Parts
Fuel, Oil, and Water Pumps
Fuel, Oil, and Water Pumps
Water Pumps
Fuel Pumps
Oil Pumps
Exhaust Systems
Engine
Engine
Complete Engines
Vbrizg
Sklopi motorja
Glave motorja
Deli motornih glav
Ležaji motorja
Tesnila motorja
Ostalo
Cevi goriva
Clutch
Clutch
Košare sklopke
Pogonske lamele
Kardanske lamele
Potisni ležaji
Clutch cylinders
Ostalo
Steering
Steering
Volanski deli
Končniki volana
Kolesa volana
Drogi volana
Hidravlični volani
Ostali volanski deli
Brakes
Brakes
Zavorne lamele
Zavorne čeljusti, obloge in pasovi
Zavorni bobni in diski
Zavorni cilindri
Ostalo
Hydraulics
Hydraulics
Centralni vzvodi - poteznice
Centralni vzvodi - poteznice
Klasični
Hidravlični
Črpalke hidravlike
Varilni kavlji
Spojke hidravlike
Dvižne ročice
Stabilizatorske verige
Deli hidravlike - razni
Air Systems
Transmission - Differential
Cabin and Body Parts
Cabin and Body Parts
Karoserija
Ključavnice in kljuke
Plinske vzmeti in amortizerji kabin
Motorji in metlice brisalcev
Ogledala kabine
Stekla kabin
Parts for Attached Machines
Parts for Attached Machines
Deli za prikolice
Obračalniki
Obračalniki
Vzmetni kraki
Obračalni sistemi
Kosilnice
Kosilnice
BCS
Gorenje Muta
Gramip
IMT
Kose
Noži kosilnic
Noži robotskih kosilnic
Ostali deli kosilnic
Odjemalci silaže
Sejalnice
Obdelava tal
Obdelava tal
Deli za pluge
Brane, freze
Prekopalniki
Trosilniki gnojil
Mulčerji
Deli za cisterne
SIP
Priklopi
Filters
Filters
Olja
Zraka
Hidravlike
Goriva
Nosilci filtrov
Electrical Components
Electrical Components
Stikala
Stikala
Stikala smerna
Stikala stop
Stikala vžiga/kontakta
Stikala oljna/termo
Stikala reduktorja
Ostala stikala
Vtikači, vtičnice, kabli
Avtomati smerokazov
Akumulatorji in oprema
Alternatorji in regulatorji napetosti
Zaganjači
Svečke
Svečke
Grelne svečke
Ignition Plugs
Indicators and Meters
Other
Complete Installation
Workshop Supplies
Workshop Supplies
Cleaning Products
Adhesives and Sealants
Workshop Tools
Technical Sprays
Grease Guns and Pumps
Lights
Lights
Front Headlights
Rear Lights
Rear Lights
Lamps
Lenses
Kits
Work Lights
Indicators, Position Lights
Rotating Beacons
Other
Consumables
Consumables
Pins
Wedges
Balls
Seats
Belts
Clamps
Welding Joints
Washers
Matice
Bearings and Seals
Wooden Bearings
Safety equipment
Fluids
Fluids
Adblue
Oils
Greases
Cleaners
Anti-Freeze Agent
Tires and Inner Tubes
Tires and Inner Tubes
Inner Tubes
Tires
Complete Wheels
Other
PTO Driveshafts
PTO Driveshafts
Cerjak, Gopart
Walterscheid
PTO Cross Joints
PTO Driveshaft Guards
PTO Driveshaft Adapters
Tubes
Yokes, Clutches, Pins
ANIMAL FEED
ANIMAL FEED
Small Animal Feed
Mineral Vitamin Supplements
Feed
Salt
Bird Food
Salt Licks
SEEDS
SEEDS
Seed Potatoes
Garden Seeds
Garden Seeds
Zorzi Garden Seed
Zorzi Garden Seed
Vegetables
Herbs
Flowers
Beans, Peas, Lentils, and Larger Packages
ROKO Garden Seeds
Seed Grains
Seed Corn
Grass Seeds
Grass Seeds
Ornamental
Forage
Forage Mixtures
Pumpkin Seeds
Onion, Garlic
FOR HOME, GARDEN, AND FIELD
FOR HOME, GARDEN, AND FIELD
Covers
Covers
Packaged
Rolls
Cover pegs
Soil and Peat
Soil and Peat
soil
peat
Organic Fertilizers
Mineral Fertilizers
Pest Control
Accessories and Tools
Plant Supports
Disinfectants
Mowing Lines and Heads
Decorative Bark and Chips
Irrigation and Watering
Tools and Equipment
AGRICULTURAL TECHNOLOGY
AGRICULTURAL TECHNOLOGY
Wrapping - Stretch Films
Protective Nets
Protective Nets
Bird Netting
Hail Nets
Shade Nets
Other Nets
Baling Equipment
Ties
Bags
Troughs for Pigs and Small Livestock
Pasture Equipment
Barn Equipment
WINE CELLARING
WINE CELLARING
Stoppers
Taps, Hoses
Corks
Paraffin Oil, Sulfuric Acid, Distilled Water
Cork Stoppers
Aluminum Stoppers
Crown Caps
Sparkling Wine with Gold
Toys
FORESTRY EQUIPMENT
Sale
Sale
Spare parts
ANIMAL FEED
SEEDS
FOR HOME, GARDEN, AND FIELD
AGRICULTURAL TECHNOLOGY
Home page
Spare parts
Tractor Parts
Front and Rear Axle
Cooling System
Radiators
Hoses
Other
Engine Parts
Fuel, Oil, and Water Pumps
Water Pumps
Fuel Pumps
Oil Pumps
Exhaust Systems
Engine
Complete Engines
Vbrizg
Sklopi motorja
Glave motorja
Deli motornih glav
Ležaji motorja
Tesnila motorja
Ostalo
Cevi goriva
Clutch
Košare sklopke
Pogonske lamele
Kardanske lamele
Potisni ležaji
Clutch cylinders
Ostalo
Steering
Volanski deli
Končniki volana
Kolesa volana
Drogi volana
Hidravlični volani
Ostali volanski deli
Brakes
Zavorne lamele
Zavorne čeljusti, obloge in pasovi
Zavorni bobni in diski
Zavorni cilindri
Ostalo
Hydraulics
Centralni vzvodi - poteznice
Klasični
Hidravlični
Črpalke hidravlike
Varilni kavlji
Spojke hidravlike
Dvižne ročice
Stabilizatorske verige
Deli hidravlike - razni
Air Systems
Transmission - Differential
Cabin and Body Parts
Karoserija
Ključavnice in kljuke
Plinske vzmeti in amortizerji kabin
Motorji in metlice brisalcev
Ogledala kabine
Stekla kabin
Parts for Attached Machines
Deli za prikolice
Obračalniki
Vzmetni kraki
Obračalni sistemi
Kosilnice
BCS
Gorenje Muta
Gramip
IMT
Kose
Noži kosilnic
Noži robotskih kosilnic
Ostali deli kosilnic
Odjemalci silaže
Sejalnice
Obdelava tal
Deli za pluge
Brane, freze
Prekopalniki
Trosilniki gnojil
Mulčerji
Deli za cisterne
SIP
Priklopi
Filters
Olja
Zraka
Hidravlike
Goriva
Nosilci filtrov
Electrical Components
Stikala
Stikala smerna
Stikala stop
Stikala vžiga/kontakta
Stikala oljna/termo
Stikala reduktorja
Ostala stikala
Vtikači, vtičnice, kabli
Avtomati smerokazov
Akumulatorji in oprema
Alternatorji in regulatorji napetosti
Zaganjači
Svečke
Grelne svečke
Ignition Plugs
Indicators and Meters
Other
Complete Installation
Workshop Supplies
Cleaning Products
Adhesives and Sealants
Workshop Tools
Technical Sprays
Grease Guns and Pumps
Lights
Front Headlights
Rear Lights
Lamps
Lenses
Kits
Work Lights
Indicators, Position Lights
Rotating Beacons
Other
Consumables
Pins
Wedges
Balls
Seats
Belts
Clamps
Welding Joints
Washers
Matice
Bearings and Seals
Wooden Bearings
Safety equipment
Fluids
Adblue
Oils
Greases
Cleaners
Anti-Freeze Agent
Tires and Inner Tubes
Inner Tubes
Tires
Complete Wheels
Other
PTO Driveshafts
Cerjak, Gopart
Walterscheid
PTO Cross Joints
PTO Driveshaft Guards
PTO Driveshaft Adapters
Tubes
Yokes, Clutches, Pins
ANIMAL FEED
Small Animal Feed
Mineral Vitamin Supplements
Feed
Salt
Bird Food
Salt Licks
SEEDS
Seed Potatoes
Garden Seeds
Zorzi Garden Seed
Vegetables
Herbs
Flowers
Beans, Peas, Lentils, and Larger Packages
ROKO Garden Seeds
Seed Grains
Seed Corn
Grass Seeds
Ornamental
Forage
Forage Mixtures
Pumpkin Seeds
Onion, Garlic
FOR HOME, GARDEN, AND FIELD
Covers
Packaged
Rolls
Cover pegs
Soil and Peat
soil
peat
Organic Fertilizers
Mineral Fertilizers
Pest Control
Accessories and Tools
Plant Supports
Disinfectants
Mowing Lines and Heads
Decorative Bark and Chips
Irrigation and Watering
Tools and Equipment
AGRICULTURAL TECHNOLOGY
Wrapping - Stretch Films
Protective Nets
Bird Netting
Hail Nets
Shade Nets
Other Nets
Baling Equipment
Ties
Bags
Troughs for Pigs and Small Livestock
Pasture Equipment
Barn Equipment
WINE CELLARING
Stoppers
Taps, Hoses
Corks
Paraffin Oil, Sulfuric Acid, Distilled Water
Cork Stoppers
Aluminum Stoppers
Crown Caps
Sparkling Wine with Gold
Toys
FORESTRY EQUIPMENT
Sale
New products
Search
My account
Blog
Contact us
Menu
Home page
Spare parts
Tractor Parts
Front and Rear Axle
Cooling System
Radiators
Hoses
Other
Engine Parts
Fuel, Oil, and Water Pumps
Water Pumps
Fuel Pumps
Oil Pumps
Exhaust Systems
Engine
Complete Engines
Vbrizg
Sklopi motorja
Glave motorja
Deli motornih glav
Ležaji motorja
Tesnila motorja
Ostalo
Cevi goriva
Clutch
Košare sklopke
Pogonske lamele
Kardanske lamele
Potisni ležaji
Clutch cylinders
Ostalo
Steering
Volanski deli
Končniki volana
Kolesa volana
Drogi volana
Hidravlični volani
Ostali volanski deli
Brakes
Zavorne lamele
Zavorne čeljusti, obloge in pasovi
Zavorni bobni in diski
Zavorni cilindri
Ostalo
Hydraulics
Centralni vzvodi - poteznice
Klasični
Hidravlični
Črpalke hidravlike
Varilni kavlji
Spojke hidravlike
Dvižne ročice
Stabilizatorske verige
Deli hidravlike - razni
Air Systems
Transmission - Differential
Cabin and Body Parts
Karoserija
Ključavnice in kljuke
Plinske vzmeti in amortizerji kabin
Motorji in metlice brisalcev
Ogledala kabine
Stekla kabin
Parts for Attached Machines
Deli za prikolice
Obračalniki
Vzmetni kraki
Obračalni sistemi
Kosilnice
BCS
Gorenje Muta
Gramip
IMT
Kose
Noži kosilnic
Noži robotskih kosilnic
Ostali deli kosilnic
Odjemalci silaže
Sejalnice
Obdelava tal
Deli za pluge
Brane, freze
Prekopalniki
Trosilniki gnojil
Mulčerji
Deli za cisterne
SIP
Priklopi
Filters
Olja
Zraka
Hidravlike
Goriva
Nosilci filtrov
Electrical Components
Stikala
Stikala smerna
Stikala stop
Stikala vžiga/kontakta
Stikala oljna/termo
Stikala reduktorja
Ostala stikala
Vtikači, vtičnice, kabli
Avtomati smerokazov
Akumulatorji in oprema
Alternatorji in regulatorji napetosti
Zaganjači
Svečke
Grelne svečke
Ignition Plugs
Indicators and Meters
Other
Complete Installation
Workshop Supplies
Cleaning Products
Adhesives and Sealants
Workshop Tools
Technical Sprays
Grease Guns and Pumps
Lights
Front Headlights
Rear Lights
Lamps
Lenses
Kits
Work Lights
Indicators, Position Lights
Rotating Beacons
Other
Consumables
Pins
Wedges
Balls
Seats
Belts
Clamps
Welding Joints
Washers
Matice
Bearings and Seals
Wooden Bearings
Safety equipment
Fluids
Adblue
Oils
Greases
Cleaners
Anti-Freeze Agent
Tires and Inner Tubes
Inner Tubes
Tires
Complete Wheels
Other
PTO Driveshafts
Cerjak, Gopart
Walterscheid
PTO Cross Joints
PTO Driveshaft Guards
PTO Driveshaft Adapters
Tubes
Yokes, Clutches, Pins
ANIMAL FEED
Small Animal Feed
Mineral Vitamin Supplements
Feed
Salt
Bird Food
Salt Licks
SEEDS
Seed Potatoes
Garden Seeds
Zorzi Garden Seed
Vegetables
Herbs
Flowers
Beans, Peas, Lentils, and Larger Packages
ROKO Garden Seeds
Seed Grains
Seed Corn
Grass Seeds
Ornamental
Forage
Forage Mixtures
Pumpkin Seeds
Onion, Garlic
FOR HOME, GARDEN, AND FIELD
Covers
Packaged
Rolls
Cover pegs
Soil and Peat
soil
peat
Organic Fertilizers
Mineral Fertilizers
Pest Control
Accessories and Tools
Plant Supports
Disinfectants
Mowing Lines and Heads
Decorative Bark and Chips
Irrigation and Watering
Tools and Equipment
AGRICULTURAL TECHNOLOGY
Wrapping - Stretch Films
Protective Nets
Bird Netting
Hail Nets
Shade Nets
Other Nets
Baling Equipment
Ties
Bags
Troughs for Pigs and Small Livestock
Pasture Equipment
Barn Equipment
WINE CELLARING
Stoppers
Taps, Hoses
Corks
Paraffin Oil, Sulfuric Acid, Distilled Water
Cork Stoppers
Aluminum Stoppers
Crown Caps
Sparkling Wine with Gold
Toys
FORESTRY EQUIPMENT
Sale
New products
Search
My account
Blog
Contact us
Home
|
Spare parts
|
Parts for Attached Machines
|
Obračalniki
|
Vzmetni kraki
|
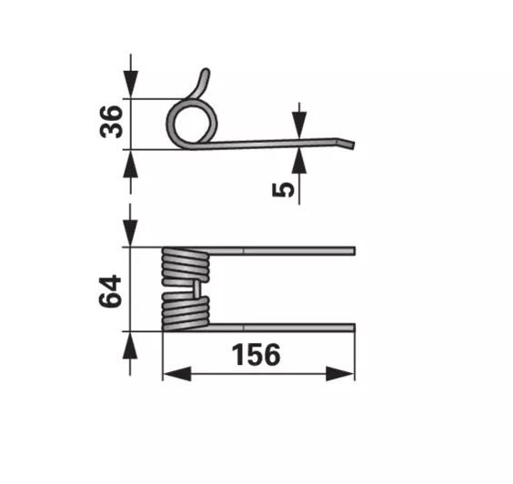
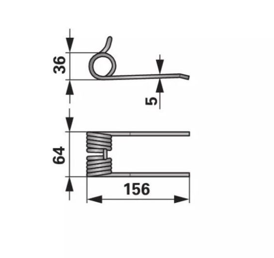
Pick-up haytine, SIP, new type
×
Pick-up haytine, SIP, new type
SKU:
301366
Cena:
2.51 €
Availability:
In stock
Qty:
Add to cart
Ship to
Select country
Austria
Croatia
Germany
Hungary
Italy
Poland
Slovenia
*
Other
*
Shipping Method
Name
Estimated Delivery
Price
No shipping options
Apply
Related products
Also purchased
Contact us
Customers who bought this item also bought
COPPER WASHER, 12X18X1.5
SKU: 311803
In stock
0.38 €
COPPER WASHER, 10X14X1.5
SKU: 305621
In stock
0.32 €
Light bulb, BAY15d, 12V, 21/5W, 3418
SKU: 305067
In stock
0.51 €
Light bulb, H7, 12V, 55W, Elvelux, 3242
SKU: 305068
In stock
3.60 €
Podobni izdelki
Podobni izdelki
Baler haytine, Deutz, Fahr, 06581781
SKU: 312513
Out of stock
Krak vzmetni Claas 918238.0
SKU: 326539
Out of stock
Krak vzmetni Claas balirka 918238.0
SKU: 316665
Out of stock
Krak vzmetni Claas pajek 9554830
SKU: 316599
Out of stock
Haytine Fahr, right-hand, red, 06229776
SKU: 322048
In stock
6.91 €
Haytine Fahr, left-hand, white, 06580391
SKU: 304400
In stock
6.91 €
Haytine Gaspardo, right-hand
SKU: 321079
In stock
9.52 €
Haytine Gaspardo, left-hand
SKU: 321080
In stock
9.52 €
Haytine Kuhn, 52557502000
SKU: 304728
Out of stock
Haytine Kuhn, 58505219
SKU: 313119
Out of stock
Need help?
Call us:
+386 (0) 2 330 38 25
Oppening time:
Monday - Friday: 07:00 - 17:00 Saturday: 08:00 - 12:00 Sunday and holidays: closed
Newsletter
Be the first to be informed about promotions, discounts, news, etc.
Subscribe
Wait...
Cookies help us deliver our services. By using our services, you agree to our use of cookies.
OK
Learn more