Podjetje s tradicijo
- Na trgu že več kot 25 let
B2B
O nas
Kontakti
Novice
Program razvoja podeželja
Spletna trgovina:
041 606 384
PON - PET: 07:00 - 15:00 ure
SOB: ZAPRTO
Trgovina hoče:
02 330 38 25
PON - PET: 07:00 - 18:00 ure
SOB: 08:00 - 13:00 ure
Login
0
0
Vaša košarica je prazna
Login
0
0
Rezervni deli
Rezervni deli
Deli za traktorje
Deli za traktorje
Sprednja in zadnja prema
Hladilni sistem
Hladilni sistem
Hladilniki vode
Cevi
Ostalo
Motorni deli
Motorni deli
Črpalke goriva, olja in vode
Črpalke goriva, olja in vode
Črpalke vode
Črpalke goriva
Črpalke olja
Izpušni sistemi
Motor
Motor
Kompletni motorji
Vbrizg
Sklopi motorja
Glave motorja
Deli motornih glav
Ležaji motorja
Tesnila motorja
Ostalo
Cevi goriva
Sklopka
Sklopka
Košare sklopke
Pogonske lamele
Kardanske lamele
Potisni ležaji
Cilindri sklopke
Ostalo
Volan
Volan
Volanski deli
Končniki volana
Kolesa volana
Drogi volana
Hidravlični volani
Ostali volanski deli
Zavore
Zavore
Zavorne lamele
Zavorne čeljusti, obloge in pasovi
Zavorni bobni in diski
Zavorni cilindri
Ostalo
Hidravlika
Hidravlika
Centralni vzvodi - poteznice
Centralni vzvodi - poteznice
Klasični
Hidravlični
Črpalke hidravlike
Varilni kavlji
Spojke hidravlike
Dvižne ročice
Stabilizatorske verige
Deli hidravlike - razni
Zračni sistemi
Menjalnik - diferencial
Deli kabin in karoserije
Deli kabin in karoserije
Karoserija
Ključavnice in kljuke
Plinske vzmeti in amortizerji kabin
Motorji in metlice brisalcev
Ogledala kabine
Stekla kabin
Deli za priključne stroje
Deli za priključne stroje
Deli za prikolice
Obračalniki
Obračalniki
Vzmetni kraki
Obračalni sistemi
Kosilnice
Kosilnice
BCS
Gorenje Muta
Gramip
IMT
Kose
Noži kosilnic
Noži robotskih kosilnic
Ostali deli kosilnic
Odjemalci silaže
Sejalnice
Obdelava tal
Obdelava tal
Deli za pluge
Brane, freze
Prekopalniki
Trosilniki gnojil
Mulčerji
Deli za cisterne
SIP
Priklopi
Filtri
Filtri
Olja
Zraka
Hidravlike
Goriva
Nosilci filtrov
Elektrika
Elektrika
Stikala
Stikala
Stikala smerna
Stikala stop
Stikala vžiga/kontakta
Stikala oljna/termo
Stikala reduktorja
Ostala stikala
Vtikači, vtičnice, kabli
Avtomati smerokazov
Akumulatorji in oprema
Alternatorji in regulatorji napetosti
Zaganjači
Svečke
Svečke
Grelne svečke
Vžigalne svečke
Indikatorji in števci
Ostalo
Kompletne inštalacije
Vse za delavnico
Vse za delavnico
Izdelki za čiščenje
Lepila in tesnila
Orodja za delavnico
Tehnični spreji
Mazalice in tlačilke
Svetila
Svetila
Sprednji žarometi
Zadnje svetilke
Zadnje svetilke
Svetilke
Stekla
Kompleti
Delovni žarometi
Smerniki, pozicija
Rotacijske svetilke
Ostalo
Potrošni material
Potrošni material
Zatiki
Klini
Krogle
Sedeži
Jermeni
Objemke
Varilni zglobi
Podložke
Matice
Ležaji in semeringi
Leseni ležaji
Varnostna oprema
Tekočine in maziva
Tekočine in maziva
Adblue
Olja
Masti
Čistila
Sredstva proti zmrzovanju
Pnevmatike in zračnice
Pnevmatike in zračnice
Zračnice
Pnevmatike
Kompletna kolesa
Ostalo
Kardani
Kardani
Cerjak, Gopart
Walterscheid
Kardanski križi
Zaščite kardanov
Nastavki za kardan
Cevi
Vilice, sklopke, zatiči
Prehrana živali
Prehrana živali
Hrana za male živali
Mineralno vitaminski dodatki
Krmila
Soli
Hrana za ptice
Solniki
Semena
Semena
Semenski krompir
Vrtna semena
Vrtna semena
Vrtna semena Zorzi
Vrtna semena Zorzi
Vrtnine
Dišavnice
Cvetlice
Fižol, bob, grah in večja pakiranja
Vrtna semena ROKO
Semenska žita
Semenska koruza
Semena trav
Semena trav
Okrasne
Krmne
Krmni dosevki
Semena buč
Čebula, Česen
Za dom, vrt in polje
Za dom, vrt in polje
Pokrivala
Pokrivala
Pakirana
V rolah
Zatiči za pokrivalke
Zemlje in šota
Zemlje in šota
Zemlja
Šota
Organska gnojila
Mineralna gnojila
Zaščita pred škodljivci
Pripomočki in orodje
Opore za rastline
Razkužila
Kosilne nitke in glave
Okrasno lubje in sekanci
Namakanje, zalivanje
Orodje in pribor
Agrotehnika
Agrotehnika
Ovijalne - stretch folije
Zaščitne mreže
Zaščitne mreže
Mreže proti pticam
Mreže proti toči
Mreže za senčenje
Ostale mreže
Oprema za baliranje
Veziva
Vreče
Korita za svinje in drobnico
Oprema za pašnike
Hlevska oprema
Kletarstvo
Kletarstvo
Zapiralci
Pipe, gume
Čepi
Parafinsko olje, žveplasta kislina, destilirana voda
Zamaški - pluta
Zamaški - aluminijasti
Zamaški - Kronski
Penina z zlatom
Igrače
Gozdarska oprema
Akcija
Prodajni program
Rezervni deli
Rezervni deli
Deli za traktorje
Deli za traktorje
Sprednja in zadnja prema
Hladilni sistem
Hladilni sistem
Hladilniki vode
Cevi
Ostalo
Motorni deli
Motorni deli
Črpalke goriva, olja in vode
Črpalke goriva, olja in vode
Črpalke vode
Črpalke goriva
Črpalke olja
Izpušni sistemi
Motor
Motor
Kompletni motorji
Vbrizg
Sklopi motorja
Glave motorja
Deli motornih glav
Ležaji motorja
Tesnila motorja
Ostalo
Cevi goriva
Sklopka
Sklopka
Košare sklopke
Pogonske lamele
Kardanske lamele
Potisni ležaji
Cilindri sklopke
Ostalo
Volan
Volan
Volanski deli
Končniki volana
Kolesa volana
Drogi volana
Hidravlični volani
Ostali volanski deli
Zavore
Zavore
Zavorne lamele
Zavorne čeljusti, obloge in pasovi
Zavorni bobni in diski
Zavorni cilindri
Ostalo
Hidravlika
Hidravlika
Centralni vzvodi - poteznice
Centralni vzvodi - poteznice
Klasični
Hidravlični
Črpalke hidravlike
Varilni kavlji
Spojke hidravlike
Dvižne ročice
Stabilizatorske verige
Deli hidravlike - razni
Zračni sistemi
Menjalnik - diferencial
Deli kabin in karoserije
Deli kabin in karoserije
Karoserija
Ključavnice in kljuke
Plinske vzmeti in amortizerji kabin
Motorji in metlice brisalcev
Ogledala kabine
Stekla kabin
Deli za priključne stroje
Deli za priključne stroje
Deli za prikolice
Obračalniki
Obračalniki
Vzmetni kraki
Obračalni sistemi
Kosilnice
Kosilnice
BCS
Gorenje Muta
Gramip
IMT
Kose
Noži kosilnic
Noži robotskih kosilnic
Ostali deli kosilnic
Odjemalci silaže
Sejalnice
Obdelava tal
Obdelava tal
Deli za pluge
Brane, freze
Prekopalniki
Trosilniki gnojil
Mulčerji
Deli za cisterne
SIP
Priklopi
Filtri
Filtri
Olja
Zraka
Hidravlike
Goriva
Nosilci filtrov
Elektrika
Elektrika
Stikala
Stikala
Stikala smerna
Stikala stop
Stikala vžiga/kontakta
Stikala oljna/termo
Stikala reduktorja
Ostala stikala
Vtikači, vtičnice, kabli
Avtomati smerokazov
Akumulatorji in oprema
Alternatorji in regulatorji napetosti
Zaganjači
Svečke
Svečke
Grelne svečke
Vžigalne svečke
Indikatorji in števci
Ostalo
Kompletne inštalacije
Vse za delavnico
Vse za delavnico
Izdelki za čiščenje
Lepila in tesnila
Orodja za delavnico
Tehnični spreji
Mazalice in tlačilke
Svetila
Svetila
Sprednji žarometi
Zadnje svetilke
Zadnje svetilke
Svetilke
Stekla
Kompleti
Delovni žarometi
Smerniki, pozicija
Rotacijske svetilke
Ostalo
Potrošni material
Potrošni material
Zatiki
Klini
Krogle
Sedeži
Jermeni
Objemke
Varilni zglobi
Podložke
Matice
Ležaji in semeringi
Leseni ležaji
Varnostna oprema
Tekočine in maziva
Tekočine in maziva
Adblue
Olja
Masti
Čistila
Sredstva proti zmrzovanju
Pnevmatike in zračnice
Pnevmatike in zračnice
Zračnice
Pnevmatike
Kompletna kolesa
Ostalo
Kardani
Kardani
Cerjak, Gopart
Walterscheid
Kardanski križi
Zaščite kardanov
Nastavki za kardan
Cevi
Vilice, sklopke, zatiči
Prehrana živali
Prehrana živali
Hrana za male živali
Mineralno vitaminski dodatki
Krmila
Soli
Hrana za ptice
Solniki
Semena
Semena
Semenski krompir
Vrtna semena
Vrtna semena
Vrtna semena Zorzi
Vrtna semena Zorzi
Vrtnine
Dišavnice
Cvetlice
Fižol, bob, grah in večja pakiranja
Vrtna semena ROKO
Semenska žita
Semenska koruza
Semena trav
Semena trav
Okrasne
Krmne
Krmni dosevki
Semena buč
Čebula, Česen
Za dom, vrt in polje
Za dom, vrt in polje
Pokrivala
Pokrivala
Pakirana
V rolah
Zatiči za pokrivalke
Zemlje in šota
Zemlje in šota
Zemlja
Šota
Organska gnojila
Mineralna gnojila
Zaščita pred škodljivci
Pripomočki in orodje
Opore za rastline
Razkužila
Kosilne nitke in glave
Okrasno lubje in sekanci
Namakanje, zalivanje
Orodje in pribor
Agrotehnika
Agrotehnika
Ovijalne - stretch folije
Zaščitne mreže
Zaščitne mreže
Mreže proti pticam
Mreže proti toči
Mreže za senčenje
Ostale mreže
Oprema za baliranje
Veziva
Vreče
Korita za svinje in drobnico
Oprema za pašnike
Hlevska oprema
Kletarstvo
Kletarstvo
Zapiralci
Pipe, gume
Čepi
Parafinsko olje, žveplasta kislina, destilirana voda
Zamaški - pluta
Zamaški - aluminijasti
Zamaški - Kronski
Penina z zlatom
Igrače
Gozdarska oprema
Akcija
Akcija
Rezervni deli
Prehrana živali
Semena
Za dom, vrt in polje
Agrotehnika
Domov
Rezervni deli
Deli za traktorje
Sprednja in zadnja prema
Hladilni sistem
Hladilniki vode
Cevi
Ostalo
Motorni deli
Črpalke goriva, olja in vode
Črpalke vode
Črpalke goriva
Črpalke olja
Izpušni sistemi
Motor
Kompletni motorji
Vbrizg
Sklopi motorja
Glave motorja
Deli motornih glav
Ležaji motorja
Tesnila motorja
Ostalo
Cevi goriva
Sklopka
Košare sklopke
Pogonske lamele
Kardanske lamele
Potisni ležaji
Cilindri sklopke
Ostalo
Volan
Volanski deli
Končniki volana
Kolesa volana
Drogi volana
Hidravlični volani
Ostali volanski deli
Zavore
Zavorne lamele
Zavorne čeljusti, obloge in pasovi
Zavorni bobni in diski
Zavorni cilindri
Ostalo
Hidravlika
Centralni vzvodi - poteznice
Klasični
Hidravlični
Črpalke hidravlike
Varilni kavlji
Spojke hidravlike
Dvižne ročice
Stabilizatorske verige
Deli hidravlike - razni
Zračni sistemi
Menjalnik - diferencial
Deli kabin in karoserije
Karoserija
Ključavnice in kljuke
Plinske vzmeti in amortizerji kabin
Motorji in metlice brisalcev
Ogledala kabine
Stekla kabin
Deli za priključne stroje
Deli za prikolice
Obračalniki
Vzmetni kraki
Obračalni sistemi
Kosilnice
BCS
Gorenje Muta
Gramip
IMT
Kose
Noži kosilnic
Noži robotskih kosilnic
Ostali deli kosilnic
Odjemalci silaže
Sejalnice
Obdelava tal
Deli za pluge
Brane, freze
Prekopalniki
Trosilniki gnojil
Mulčerji
Deli za cisterne
SIP
Priklopi
Filtri
Olja
Zraka
Hidravlike
Goriva
Nosilci filtrov
Elektrika
Stikala
Stikala smerna
Stikala stop
Stikala vžiga/kontakta
Stikala oljna/termo
Stikala reduktorja
Ostala stikala
Vtikači, vtičnice, kabli
Avtomati smerokazov
Akumulatorji in oprema
Alternatorji in regulatorji napetosti
Zaganjači
Svečke
Grelne svečke
Vžigalne svečke
Indikatorji in števci
Ostalo
Kompletne inštalacije
Vse za delavnico
Izdelki za čiščenje
Lepila in tesnila
Orodja za delavnico
Tehnični spreji
Mazalice in tlačilke
Svetila
Sprednji žarometi
Zadnje svetilke
Svetilke
Stekla
Kompleti
Delovni žarometi
Smerniki, pozicija
Rotacijske svetilke
Ostalo
Potrošni material
Zatiki
Klini
Krogle
Sedeži
Jermeni
Objemke
Varilni zglobi
Podložke
Matice
Ležaji in semeringi
Leseni ležaji
Varnostna oprema
Tekočine in maziva
Adblue
Olja
Masti
Čistila
Sredstva proti zmrzovanju
Pnevmatike in zračnice
Zračnice
Pnevmatike
Kompletna kolesa
Ostalo
Kardani
Cerjak, Gopart
Walterscheid
Kardanski križi
Zaščite kardanov
Nastavki za kardan
Cevi
Vilice, sklopke, zatiči
Prehrana živali
Hrana za male živali
Mineralno vitaminski dodatki
Krmila
Soli
Hrana za ptice
Solniki
Semena
Semenski krompir
Vrtna semena
Vrtna semena Zorzi
Vrtnine
Dišavnice
Cvetlice
Fižol, bob, grah in večja pakiranja
Vrtna semena ROKO
Semenska žita
Semenska koruza
Semena trav
Okrasne
Krmne
Krmni dosevki
Semena buč
Čebula, Česen
Za dom, vrt in polje
Pokrivala
Pakirana
V rolah
Zatiči za pokrivalke
Zemlje in šota
Zemlja
Šota
Organska gnojila
Mineralna gnojila
Zaščita pred škodljivci
Pripomočki in orodje
Opore za rastline
Razkužila
Kosilne nitke in glave
Okrasno lubje in sekanci
Namakanje, zalivanje
Orodje in pribor
Agrotehnika
Ovijalne - stretch folije
Zaščitne mreže
Mreže proti pticam
Mreže proti toči
Mreže za senčenje
Ostale mreže
Oprema za baliranje
Veziva
Vreče
Korita za svinje in drobnico
Oprema za pašnike
Hlevska oprema
Kletarstvo
Zapiralci
Pipe, gume
Čepi
Parafinsko olje, žveplasta kislina, destilirana voda
Zamaški - pluta
Zamaški - aluminijasti
Zamaški - Kronski
Penina z zlatom
Igrače
Gozdarska oprema
Akcija
Novi izdelki
Išči
Moj račun
Blog
Kontakt
Navigacija
Domov
Rezervni deli
Deli za traktorje
Sprednja in zadnja prema
Hladilni sistem
Hladilniki vode
Cevi
Ostalo
Motorni deli
Črpalke goriva, olja in vode
Črpalke vode
Črpalke goriva
Črpalke olja
Izpušni sistemi
Motor
Kompletni motorji
Vbrizg
Sklopi motorja
Glave motorja
Deli motornih glav
Ležaji motorja
Tesnila motorja
Ostalo
Cevi goriva
Sklopka
Košare sklopke
Pogonske lamele
Kardanske lamele
Potisni ležaji
Cilindri sklopke
Ostalo
Volan
Volanski deli
Končniki volana
Kolesa volana
Drogi volana
Hidravlični volani
Ostali volanski deli
Zavore
Zavorne lamele
Zavorne čeljusti, obloge in pasovi
Zavorni bobni in diski
Zavorni cilindri
Ostalo
Hidravlika
Centralni vzvodi - poteznice
Klasični
Hidravlični
Črpalke hidravlike
Varilni kavlji
Spojke hidravlike
Dvižne ročice
Stabilizatorske verige
Deli hidravlike - razni
Zračni sistemi
Menjalnik - diferencial
Deli kabin in karoserije
Karoserija
Ključavnice in kljuke
Plinske vzmeti in amortizerji kabin
Motorji in metlice brisalcev
Ogledala kabine
Stekla kabin
Deli za priključne stroje
Deli za prikolice
Obračalniki
Vzmetni kraki
Obračalni sistemi
Kosilnice
BCS
Gorenje Muta
Gramip
IMT
Kose
Noži kosilnic
Noži robotskih kosilnic
Ostali deli kosilnic
Odjemalci silaže
Sejalnice
Obdelava tal
Deli za pluge
Brane, freze
Prekopalniki
Trosilniki gnojil
Mulčerji
Deli za cisterne
SIP
Priklopi
Filtri
Olja
Zraka
Hidravlike
Goriva
Nosilci filtrov
Elektrika
Stikala
Stikala smerna
Stikala stop
Stikala vžiga/kontakta
Stikala oljna/termo
Stikala reduktorja
Ostala stikala
Vtikači, vtičnice, kabli
Avtomati smerokazov
Akumulatorji in oprema
Alternatorji in regulatorji napetosti
Zaganjači
Svečke
Grelne svečke
Vžigalne svečke
Indikatorji in števci
Ostalo
Kompletne inštalacije
Vse za delavnico
Izdelki za čiščenje
Lepila in tesnila
Orodja za delavnico
Tehnični spreji
Mazalice in tlačilke
Svetila
Sprednji žarometi
Zadnje svetilke
Svetilke
Stekla
Kompleti
Delovni žarometi
Smerniki, pozicija
Rotacijske svetilke
Ostalo
Potrošni material
Zatiki
Klini
Krogle
Sedeži
Jermeni
Objemke
Varilni zglobi
Podložke
Matice
Ležaji in semeringi
Leseni ležaji
Varnostna oprema
Tekočine in maziva
Adblue
Olja
Masti
Čistila
Sredstva proti zmrzovanju
Pnevmatike in zračnice
Zračnice
Pnevmatike
Kompletna kolesa
Ostalo
Kardani
Cerjak, Gopart
Walterscheid
Kardanski križi
Zaščite kardanov
Nastavki za kardan
Cevi
Vilice, sklopke, zatiči
Prehrana živali
Hrana za male živali
Mineralno vitaminski dodatki
Krmila
Soli
Hrana za ptice
Solniki
Semena
Semenski krompir
Vrtna semena
Vrtna semena Zorzi
Vrtnine
Dišavnice
Cvetlice
Fižol, bob, grah in večja pakiranja
Vrtna semena ROKO
Semenska žita
Semenska koruza
Semena trav
Okrasne
Krmne
Krmni dosevki
Semena buč
Čebula, Česen
Za dom, vrt in polje
Pokrivala
Pakirana
V rolah
Zatiči za pokrivalke
Zemlje in šota
Zemlja
Šota
Organska gnojila
Mineralna gnojila
Zaščita pred škodljivci
Pripomočki in orodje
Opore za rastline
Razkužila
Kosilne nitke in glave
Okrasno lubje in sekanci
Namakanje, zalivanje
Orodje in pribor
Agrotehnika
Ovijalne - stretch folije
Zaščitne mreže
Mreže proti pticam
Mreže proti toči
Mreže za senčenje
Ostale mreže
Oprema za baliranje
Veziva
Vreče
Korita za svinje in drobnico
Oprema za pašnike
Hlevska oprema
Kletarstvo
Zapiralci
Pipe, gume
Čepi
Parafinsko olje, žveplasta kislina, destilirana voda
Zamaški - pluta
Zamaški - aluminijasti
Zamaški - Kronski
Penina z zlatom
Igrače
Gozdarska oprema
Akcija
Novi izdelki
Išči
Moj račun
Blog
Kontakt
Domov
|
Rezervni deli
|
Deli za traktorje
|
Motorni deli
|
Tesnila motorja
|
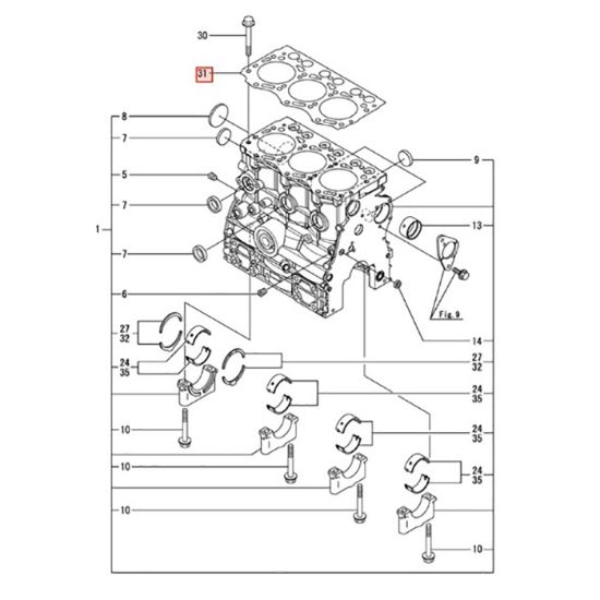
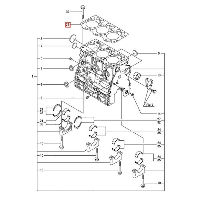
Tesnilo glave motorja Yanmar - 3 cil. 119717-01331
×
Tesnilo glave motorja Yanmar - 3 cil. 119717-01331
Koda:
329052
Zaloga:
Trenutno ni na zalogi
Prejemnik
Izberite državo
Avstrija
Hrvaška
Hungary
Italija
Nemčija
Poland
Slovenija
*
Drugo
*
Način dostave
Naziv
Predvidena dostava
Cena
Brez možnosti dostave
Potrdi
Povezani izdelki
Ostali so kupili
Kontaktirajte nas
Podobni izdelki
Podobni izdelki
Tesnila Bosch rotacijske črpalke IMT
Koda: 057135
Na zalogi
19,52 €
Tesnila glave F2 L 514
Koda: 310365
Na zalogi
71,88 €
Tesnila glave Fendt garnitura 7701456756, 7701456656
Koda: 038877
Trenutno ni na zalogi
Tesnila glave Fendt,Steyr Mwm D226B, F385202210010
Koda: 316901
Na zalogi
44,84 €
Tesnila glave motorja +1.20mm Steyr 1113010706 garnitura
Koda: 322665
Na zalogi
18,22 €
Tesnila glave Tam FL413,FI125
Koda: 311702
Na zalogi
38,37 €
Tesnila glave Torpedo - Deutz garnitura
Koda: 307023
Na zalogi
9,76 €
Tesnila motoja DM34
Koda: 304554
Trenutno ni na zalogi
Tesnila motorja 4 cil. John Deere RE64290
Koda: 330251
Trenutno ni na zalogi
TESNILA MOTORJA BUCHER MAG MAG T1026
Koda: 301513
Trenutno ni na zalogi
Potrebujete pomoč
Kontaktirajte nas preko telefonske številke ali pa nas obiščite v poslovalnici
Pokličite nas:
02 330 38 25
Delovni čas:
od ponedeljka do petka: 07:00 - 18:00 ure
sobota: 08:00 - 13:00 ure
nedelja: zaprto
Ali želite prejemati e-novice?
Bodite prvi obveščeni o akcijah, popustih, novostih idr.
Prijava
Počakaj ...
Spletna stran za naprednejše delovanje uporablja piškotke. S klikom na gumb "Potrdi" sprejemate piškotke.
Potrdi
Preberi več